2M-100日本西鐵城 3M-100界限量表 4M-100P
日期:2023-05-23 人氣:2251 收藏
| 種類 | 一般 | 高精度1μm | 高精度0.5μm |
|---|---|---|---|
| 型式 | 2M-100 | 3M-100 | 4M-100P |
| 目量 | 1μm | 1μm | 0.5μm |
| 指示範囲 | ±0.05mm | ±0.05mm | ±0.05mm |
| 精度 | ±1μm | ±1μm | ±0.5μm |
| 測定力 | 0.784N | 0.588N | |
| スピンドル行程 | 2.8mm | ||
| 標準測定子 | F-001(スチール)※1 | ||
| 標準裏ブタ | フラットバック(F-M101) | フラットバック(F-M100) | |
| ゴムベローズ (オプション) | M-131 | ||
※1 測定子は標準タイプ以外に各種取り揃えております。

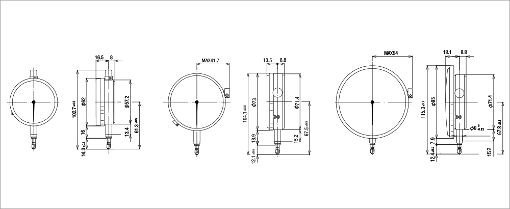
外形図

オプション
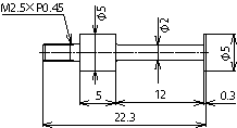
測定子
| 形 狀 | 寸 法 | 製品番號 | |||
|---|---|---|---|---|---|
| スチール | 超 硬 | セラミック | ナイロン | ||
| L=7 | F-001 | F-101 | F-201 | F-301 |
| L=9 | F-002 | ||||
| L=5.6 | F-171 | |||
| R=0.4 | F-105 | |||
| R=0.6 | F-106 | ||||
| L1=5 L2=12.3 ?D=5 | F-501 | |||
| L1=2.8 L2=14.5 ?D=?1.0 | F-502 | |||
| L1=2.8 L2=14.5 ?D=?1.5 | F-503 | |||
| L1=2.8 L2=14.5 ?D=?2 | F-504 | |||
| L1=6 L2=12.3 ?D=?0.5 | F-505 | |||
| L1=6 L2=12.3 ?D=?1.0 | F-507 | ||||
| L1=6 L2=12.3 ?D=?2.0 | F-508 | |||
※取付ネジはM2.5P0.45 でSA シリーズ、エレメトロン、トリメトロン、ミューメトロンなど全て共通して使用できます。
ゴムベローズ
| 形 狀 | 適用機種 | 製品番號 |
|---|---|---|
| 1S-□□□ 2S-□□□ DTH-P□□□ 2M-100 3M-100 4M-100P | M-131 |
インジケータブッシュ
| 形 狀 | 適用機種 | 製品番號 |
|---|---|---|
| ? 8 ステム部をもつ、すべての機種は本部品を 使用することにより固定可能 | M-150 |
フインガーレバー
| 形 狀 | 適用機種 | 製品番號 |
|---|---|---|
| M2.5 の測定子を持つすべての機種に取付可能 | M-129 |
バックマウント(裏ブタ)
| 形 狀 フラットバック F | |||
|---|---|---|---|
![]() | |||
| 機 種 | 外形寸法(mm) | 取付穴數 | 製品番號 |
| 3M- □□□ 4M-100P | ?D=?68 | 4 | F-M100 |
| 2S- □□□ 2M-100 | ?D=?53.2 | 4 | F-M101 |
| 形 狀 センターバック C | |||
|---|---|---|---|
![]() | |||
| 機 種 | 外形寸法(mm) | 取付穴數 | 製品番號 |
| 3M- □□□ 4M-100P | ?D=?68 | 4 | C-M100 |
| 2S- □□□ 2M-100 | ?D=?53.2 | 4 | C-M101 |
レリーズ
| 形 狀 | 適用機種 | 製品番號 |
|---|---|---|
| 1S, 2S, 2M, 3M, 4M | M-140 |
















