
| 種類 | 小型 | |
|---|---|---|
| 一般 | 高精度 | |
| 型式 | 1S-010 | 1S-100 |
| 目量 | 10μm | 1μm |
| 指示範囲 | ±0.5mm | ±0.05mm |
| 指示精度 | ±5μm | ±1μm |
| 測定力 | 0.98N | |
| スピンドル行程 | 2.5mm | |
| 接點容量 | DC24V4mA(抵抗負荷) | |
| 質量 | 約150g(ケーブル含む) | |
| ケーブル長さ | 1.5m | |
| 標準測定子 | F-001(スチール)※1 | |
| 標準裏ブタ | フラットバック(F-M103-1) | |
| ゴムベローズ (標準裝著) | M-131 | |
※1 測定子は標準タイプ以外に各種取り揃えております。
注記
①.1Sタイプは接點とボディー間が絶縁されています。
②.2Sタイプは接點とボディー間が絶縁されていません。
そのためボディーが設備(裝置)のアースラインあるいはコモンラインと電気的に絶縁されるように使用して下さい。③.測定力はゴムベローズを外した狀態での規格値です。
④.接點容量での「抵抗負荷」とは「誘導負荷」を避けて下さいと言う意味です。
「誘導負荷」とは、リレースイッチやソレノイドなど、コイルに相當するものの直接駆動のことです。
コイル類を直接接続すると、コイルの逆起電力により、トリメトロン內蔵の接點が一瞬にして破損します。
リレースイッチにて裝置等を駆動させたい場合には、次に示す參考回路図のような、リレーをトランジスタで駆動する回路を追加して使用して下さい。

※2 付屬のケーブルには専用コネクタが付いているため、回路接続の場合には、ケーブルの端末処理が必要です。
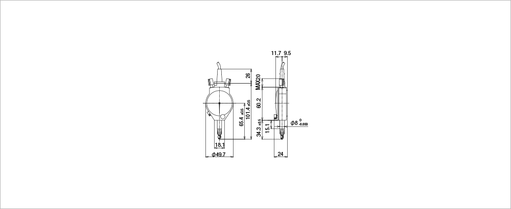
外形図

オプション
オプションケーブル
| 形 狀 | ストレート | 製品番號 |
|---|---|---|
| 3 m | 3SMA-0061-3 |
測定子
| 形 狀 | 寸 法 | 製品番號 | |||
|---|---|---|---|---|---|
| スチール | 超 硬 | セラミック | ナイロン | ||
| L=7 | F-001 | F-101 | F-201 | F-301 |
| L=9 | F-002 | ||||
| L=5.6 | F-171 | |||
| R=0.4 | F-105 | |||
| R=0.6 | F-106 | ||||
| L1=5 L2=12.3 ?D=5 | F-501 | |||
| L1=2.8 L2=14.5 ?D=?1.0 | F-502 | |||
| L1=2.8 L2=14.5 ?D=?1.5 | F-503 | |||
| L1=2.8 L2=14.5 ?D=?2 | F-504 | |||
| L1=6 L2=12.3 ?D=?0.5 | F-505 | |||
| L1=6 L2=12.3 ?D=?1.0 | F-507 | ||||
| L1=6 L2=12.3 ?D=?2.0 | F-508 | |||
※取付ネジはM2.5P0.45 でSA シリーズ、エレメトロン、トリメトロン、ミューメトロンなど全て共通して使用できます。
ゴムベローズ
| 形 狀 | 適用機種 | 製品番號 |
|---|---|---|
| 1S-□□□ 2S-□□□ DTH-P□□□ 2M-100 3M-100 4M-100P | M-131 |
インジケータブッシュ
| 形 狀 | 適用機種 | 製品番號 |
|---|---|---|
| ? 8 ステム部をもつ、すべての機種は本部品を 使用することにより固定可能 | M-150 |
フインガーレバー
| 形 狀 | 適用機種 | 製品番號 |
|---|---|---|
| M2.5 の測定子を持つすべての機種に取付可能 | M-129 |
バックマウント(裏ブタ)
| 形 狀 フラットバック F | |||
|---|---|---|---|
![]() | |||
| 機 種 | 外形寸法(mm) | 取付穴數 | 製品番號 |
| 1S- □□□ 1S-100LP 1S-010LP | ?D=?47.1 | 3 | F-M103-1 |
| 形 狀 センターバック C | |||
|---|---|---|---|
![]() | |||
| 機 種 | 外形寸法(mm) | 取付穴數 | 製品番號 |
| 1S- □□□ | ?D=?47.1 | 3 | C-M103-1 |
レリーズ
| 形 狀 | 適用機種 | 製品番號 |
|---|---|---|
| 1S, 2S, 2M, 3M, 4M | M-140 |

















